R8C(M120AN)を使ったUSB、電流、電圧チェッカー(その2)

液晶のDPIが高い為、いつも使っている12×6ピクセルのフォントでは
小さすぎて見にくい(最近、視力が極端に落ちてる事も影響・・・)

とりあえず、24ピクセルのフォントを用意するまでの繋ぎで、縦横二倍
にして表示する事で、解像度を生かせないが、それなりの大きさになった。

※余ったスペースで、電力変化をグラフ表示した。

ケースに液晶の穴を開けたが、液晶への配線が邪魔で、蓋が閉まらないが、
何とか工夫すれば、閉まる感じではある。

単独で、電力のグラフ表示も追加した。

マイコンのアナログ入力はまだ余っているので、USBの差動信号電圧を測
定する機能も追加した。

まだ、ソフトを見直す余地はあるが、とりあえず完成とする。

-----
今後の改修予定:
・電力のグラフ表示のインターバル設定
・電圧、電流変化時のフィルター

などなど

R8C(M120AN)を使ったUSB、電流、電圧チェッカー(その1)

R8C(100円マイコン)では、多分始めてとなる実用的なサンプルだ。
※液晶の事故により、第二段となった・・

マイコンは100円だけど、ハイサイトの電流検出に210円のICを使っているのが
痛い・・・
まぁそれはそれとして、多少豪華な仕様(128×32グラフィックス液晶)にしてあ
る。

また見た目も重要なので、タカチ電機工業のケース(CS75N)に収まるように
製作した。

表示切替などを行う、スイッチも設けた。

問題となったのは、「クイックチャージ」をどうするかだ、この仕様では、最大20V
の電圧に対応する必要がある。
電源電圧が5~20Vも変化するとなると、部品の選定や回路設計が難しくなる。
自分は、そのようなデバイスを持っていないが、折角だから「対応」を視野に入れて製
作した。

・マイコンは3.3Vで動作させる。
※グラフィックス液晶が3.3V動作なのと、M120ANのA/D変換の基準電圧は
VCCと同等なので、電源電圧が正確である必要がある。
※5V~20Vから3.3Vを出力する事ができるレギュレーターを入れる。
・ハイサイト電流検出のIC、「LT6106CS5」は、都合の良い事に、最大36
VまでOKなので、これをそのまま使う。

-----

さて、製作してる過程で、配線を修正したり、オペアンプを追加したりしてたら、液晶
に余計な力がかかり、フレキが「ポロリ」ととれてしまいご臨終となった。

しばらくの間、その衝撃で、製作意欲が吹き飛んでいたのだが、秋月で、新たな液晶を
購入、入れ替えた・・・

この液晶、以前のより解像度が高いのだけど、表示面積は少し小さい、またバックライ
トも無いが、コントラストは良好なようだ。
解像度は、128×48ピクセルあり、フレームバッファを用意すると、768バイト
必要となる為、少ないRAMしかないM120ANでは、半分のフレームバッファを
用意して、二回に分けてレンダリングし、半分づつLCDに転送する事で、何とかやり
くりしている。

-----

ケースは、少し小さすぎで、色々削って、何とか入る余地を設けたが、もう少し大きい
方が良さそうだった・・・

基板に、フラッシュプログラムの切り替えや、シリアルコネクターを設ける余裕が無か
ったので、インライン6ピンの専用ラインを設けて、外部でフラッシュプログラム時の
切り替えやリセットなどを行うようにした。

※この段階では液晶の窓は、開けていない・・・

表示に使うフォントなど作り直す必要もあり、色々修正中ではあるけど、とりあえず、
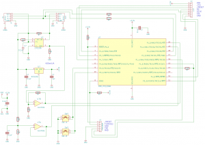
電圧表示と、電流表示、経過時間表示などできたので、回路図を含めて、Gitに上げた。

USB チェッカー

R8C(M110AN)を使ったRCサーボテスター

100円マイコンR8Cには、14ピンの小型パッケージ(M110AN)が
ある。

今まで、ほぼ、20ピンの120ANを多用してきた為、あまり使う理由が無
かったので、今回、RCサーボテスターを作成し、小さいケースに収める事で、
14ピンパッケージの利便性を役立てた。

以前に、サンプルとして、2チャネルのRCサーボを制御する為のコードを実
装したが、これは、それを少しだけ修正して、シングルチャネルで動作させる
だけのものだ。
※ボリュームの角度により点滅速度を変化させるLEDインジケーターを追加
した。

タカチのケースに収める為、余分なスペースが無いので、6ピンのフラッシュ・
プログラム用コネクターを設けている。

インジケーターは、ケースに穴を開けて、グルーガンで塞ぎ、硬化したら、表
面の凸部分をカッターで削って平面にする。
最近良く使う手法で、こうする事で、かなり自由にLEDを基板に取り付けら
れる。
また、グルーガンのスティックが半透明なので、淡い発光で見栄えも良い。

RCサーボテスター回路図:

現状では、サーボのPWMパルスの仕様は、JRサーボ用にしてある。
※ソースコードの先頭で、フタバ用に切り替える事ができる。

// どちらか片方を有効にする
#define JR_TYPE_SERVO
// #define FUTABA_TYPE_SERVO

ソースコードと、KiCADのプロジェクトは、GitHub にプッシュ済み。

M705マウスの修理

最近、どうもボタンの調子が悪い、いわゆる「チャタリング」を起こす感じで、具合が
悪い。

このマウス、保障期間は3年と長いのだが、保障期間は過ぎている。
かと言って、買いなおすのももったいない。

ネットで調べると、同じような症状に悩んでいる人も多いようで、スイッチに使ってい
るマイクロスイッチを単体で入手する事が出来るので、自分も修理する事にした。

分解する場合に、この+ドライバーが、ピッタリだった。

ある程度値段のするマウスは、分解する事を前提に作られているためか、比較的容易に
分解できる構造になっている。

(1)まず、5箇所のネジを外して、上ケースを分離する、側面にあるスイッチ用のコ
ネクターを抜く(そこそこ硬いので注意)
※パッドの下に2本隠れているので、パッドを剥がす(両面テープで貼ってある)

(2)スクロールホイールを固定してあるピンを抜く。

(3)スクロールホイールを外して、ネジを4箇所外すと基板が取れる。
※電源コネクターを抜く(そこそこ硬いので注意)
※スクロールホイールボタン用の小さいバネがあるので、無くさないように!

(4)問題のスイッチを取り除く。

※十分溶かして、吸引機で吸い取る、ピンを左右に揺らした感触で、フリーになってい
るか、まだハンダが残っているか判断できる。
※サーマルリリーフがあってもパターンの面積が広いと、熱が拡散されて、ハンダが十
分に溶けないので、大きな容量のコテが必要。(自分は、アンテックスの60Wを使っ
た)
※80Wの温度調整機能付のコテでは、最大温度でもハンダがうまく溶けなかった。

(5)新品のスイッチを取り付けて完了。
・購入したスイッチと、古いスイッチ

・GNDはサーマルリリーフになっているので、コテの熱量が足りないとハンダ付けしにくい。

・右ボタン、左ボタンで向きが違うので注意

(6)各部品を元に戻して終了。

当たり前だが、チャタリングも収まって、調子が戻った~

純正インクに係わる陰謀説

以前から、プリンターはキャノン製を使っている、まぁ使用頻度はあまり高くは
無いが、無いと困る、スキャナーはそれなりに使っている。
印刷品質も満足していて、十分綺麗で納得だ。

使っていたのはMP950、10年は使っていたと思うが、最近故障してしまった。

しかし、故障の感じが「妙」で、液晶にインク系のエラー番号が表示され、先に進
まない。

まぁ、10年は使ったし、修理して使うのも無理そうなので、型落ちの同じような
複合機「MG7730」に買い換えた。(型落ちは、最新型に比べても、性能は申
し分無いレベルで、それでいて値段が凄く安くなっている)

今回問題と思う違和感は、何故故障したかだ・・・
最近、純正インクは高杉なので、互換インクを使っていたのだが、どうも、それが
原因ではないかと疑っている。

内部のフォームウェアーで互換インクと、純正インクを見分けていて、互換インク
の利用限度(多分設定されている)を超えると、エラー番号を表示して、本体を利
用できないようにするプログラムが仕組まれているのではと思っている。
※互換インクを数回使って同じような壊れ方をした話を知り合いから聞くことが出
来た。

写真画質でも、汎用カラー印刷でも、印刷を比べて、互換インクの品質が、純正イ
ンクより著しく劣るとは考えにくい。

昔、ブラウン管TVが主流の時代に、回路図を見ながら修理をしていて、70Vか
かる部分に耐圧限度が75Vのトランジスタを使っていた、これは、数年で壊れる
ように誘導する為の作戦で、承知の事実だった。
※たかだか数万円の製品の場合3年くらいで買い換えてもらわないと、メーカーは
やっていけないと言うのが言い分らしいが、理解はできても納得はいかない。

------
消耗品のインクを高くして、本体の価格を安くするビジネスモデルはレックスマー
クが始めたものと思うが、まぁそれを否定する事も難しい背景があるにはあると思う
が納得はいかない。
・日本の工業製品の品質は高く、本体が壊れにくくなっている。
・開発には多額の投資をしており、本体価格に乗せて売りたいが、市場には受け入れ
られない状況になっている。(他メーカーとの競争もあるし、本体価格をギリギリま
で下げる必要がある)
・本体は、一度購入すれば、買い替えが起こる頻度は少ないので、継続的に利益を
得る方法が必要となる。(消耗品のインクで儲ける、そうしないと開発チームの維持
が難しい)
・基本的な性能は、すでに十分熟成しており、性能と価格の住み分けが難しくなって
いる。

ただ、純正インクの値段が、とてつもなく高い。

互換インクはかなり安いが、本体にロックがかかる事を考えると、「純正やむなし」
と言えるかもしれない・・・

インクには、チップが内臓されており、リバースエンジニアリング(完全なリバース
エンジニアリングは難しい)されても、間欠的に通信する特殊な暗号通信を装備して
いれば、互換インクを見分ける事も可能なのだと思う。
純正品のカートリッジを利用する場合で、リセットしても、リセットの回数が記録さ
れていて、それを読み出せれば、互換インクの識別に使う事が出来る。

逆説的に、互換インクメーカーに、チップの通信プロトコルに関して、少しだけ情報
をリークしておき、ある程度互換インクを作りやすくする事で、互換インクメーカー
をコントロールしておけば、互換インクを使うユーザーは、必ず本体が故障するので、
買い替え頻度が上がり、本体の買い替え需要も見込めるものと思われるが・・・
ただ、このモデルはあくまでも、想像にすぎず、厳密な証拠は無い、これが本当かど
うかは、本体内部ファームのソースコードを精査する必要があるが、それは実現しな
いだろう。

-----
壊れた、MP750は、暇な時にでも分解して内部を見て見ようと思う。